今天终于弄明白了鼠标滚轮编码器

今天终于弄明白了鼠标滚轮编码器

不少玩家都遇到过鼠标滚轮出现故障,那究竟鼠标滚轮是一个什么样的存在?


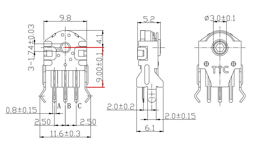
TTC 机械式滚轮编码器

普通鼠标价格几十块钱一个,很多玩家用坏了就扔也不心痛,但随着电竞浪潮的扑来,玩家对键鼠的要求也水涨船高,一些高端的游戏鼠标售价几百甚至上千元。但鼠标毕竟是消耗品,出现问题是迟早的事,如何避免以及维护?下面就让我们来聊一聊滚轮编码器的常见故障与解决方案。

滚轮常见的故障问题: 滑轮失灵,无规律的上蹿下跳;往下滑网页有可能往上滑,也可能往下一下子滑到底;玩游戏的时候滑动滑轮视野无规律的放大或缩小找不到焦点;滑动滚轮信号丢失,上下滑动反应时有时无或者完全无反应。


这些通通都有可能是滚轮编码器出现了故障。


在阐述解决方案前,我们先来认识一下什么是滚轮编码器?


滚轮编码器分为两种,一种是传统的光栅式结构滚轮,在鼠标滚轮出现初期即被广泛采用,但由于其对鼠标主控编程具有一定的要求,目前仅有少数几家厂商使用光栅式滚轮。另一种是目前在鼠标上应用最为广泛的机械式编码器。与光栅结构滚轮相比, 机械式编码器具有良好的机械刻度手感,结构简单,主控编程容易等优点 ,目前绝大部分鼠标,都使用机械编码器结构制作鼠标滚轮。


触发原理

光栅式编码器利用 红外线收发信号 ,滚轮工作时无实质性接触,因此有良好的稳定性和长寿命,但使用寿命并不是永久的,灯源在使用过程中会衰减。 机械式编码器 是有滚轮带动转盘,转盘触点与底座固定触电接触产生通断信号,因此有良好的刻度手感以及定位精准等特点。 机械编码器由最初的10万圈寿命发展到如今的200万圈使用寿命(TTC在2017美国CES电子展上发布了200万圈寿命编码器) ,在寿命上已不输于光栅式编码器。


机械编码器拆解零件图



鼠标滚轮使用过程中出现故障一般是产品 零部件精度不够 使用过程中产品误差或是 编码器触点材质差易磨损 造成接触不良引起的。也可能是鼠标卷进杂物,拆开来清扫一下也能够解决问题。 用坏的鼠标不舍得丢掉,怎么办? 动手能力强的玩家可以自行更换编码器(需要用到焊接工具,并不困难),让心爱鼠标重获新生。编码器不贵,几块钱,网上很容易能买得到。但是,

更换编码器需要注意几个问题: 1、编码器安装高度;2、编码器类型;3、一些高端鼠标是否是定制式编码器。


编码器的安装高度测量方法


直接在拆开的鼠标面板上就可以测量


编码器厂家机械示意图





编码器类型


TTC 103系列鼠标编码器(常见编码器)


TTC 123系列编码器(部分带线)



无论是编码器还是微动开关、机械轴,TTC都是采用高度自动化组装、研磨、检测,以及独立防尘车间进行生产。无论在 专业性、精准性、可靠性 ,TTC编码器在业界都享有非常高美誉度。



TTC是中国第一家,也是全球第三家独立设计生产出鼠标滚轮编码器公司 ,经过近20年的努力,TTC电竞外设编码器市场占有率近70%,销售量行业第一。市场上80%以上知名游戏鼠标都会采用TTC微动或者编码器中的至少一种,特别是编码器,是整个行业规格最全,使用范围最广的领头羊。

有关 鼠标编码器、微动开关、 以及 机械键盘轴 相关疑问 ,可以随时给留言,大家相互交流。

编辑于 2017-07-24 08:49